tesla coil wiring diagram

Tesla coil wiring diagram

If you are searching about Tesla Coil Wiring Diagram For Your Needs you've came to the right web. We have 20 Images about Tesla Coil Wiring Diagram For Your Needs like Solid State Tesla Coil Schematic How To Build A Solid State, Solid State Tesla Coil Circuit Diagram Circuit Tesla Coil So and also Schematic Tesla Coil. Here you go:

Tesla Coil Wiring Diagram For Your Needs

Tesla Coil Wiring Diagram For Your Needs www.got2bwireless.com

What Is Tesla Coil? | The Definitive Guide

What Is Tesla Coil? | The Definitive Guide electricalgang.com

Simple Tesla Coil Circuit Diagram - Wiring Diagram And Schematics

simple tesla coil circuit diagram - Wiring Diagram and Schematics www.caretxdigital.com

Tesla Coil Slayer Exciter How To Make Simple Step By Step DIY Tesla Coil

Tesla Coil Slayer Exciter How to Make Simple step by step DIY Tesla Coil paksc.org

coil tesla exciter slayer schematic simple components bedini schaltung electrical paksc elektronische wireless duckduckgo kunjungi electronics disimpan rangkaian elektronik

Tesla Coil Wiring Diagram - Wiring Diagram

Tesla Coil Wiring Diagram - Wiring Diagram alohagrace.blogspot.com

Tesla Coil Schematic Diagram - Circuit Diagram

tesla coil schematic diagram - Circuit Diagram www.circuitdiagram.co

Tesla Coil Design, Construction And Operation Guide

Tesla Coil Design, Construction and Operation Guide www.teslacoildesign.com

tesla coil schematic spark gap design construction circuit nst power circuits schematics gif solid state concerning choice question where interrupter

Tesla Coil With A Six-Pack Capacitor| Make:

Tesla Coil with a Six-Pack Capacitor| Make: makezine.com

tesla coil pack six diagram capacitor make elias makezine anatomy circuit makerspace nikola diy energy technology build flat spark gap

Tesla Coil Circuit Diagram [5] | Download Scientific Diagram

Tesla coil circuit diagram [5] | Download Scientific Diagram www.researchgate.net

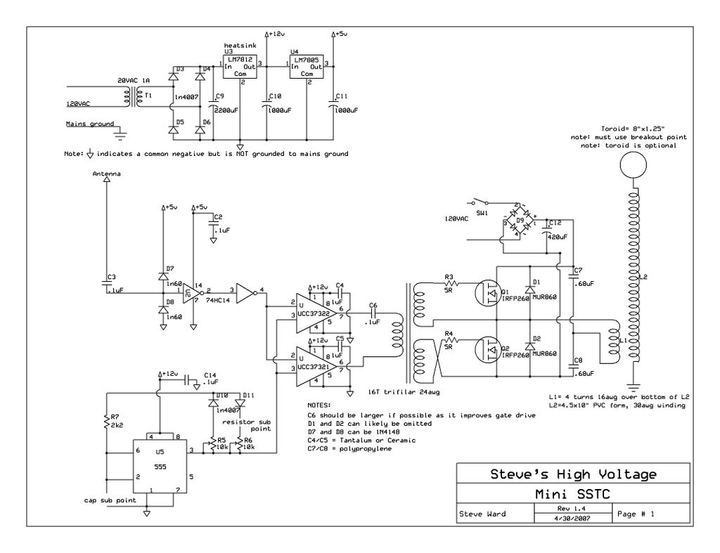
Schematic Tesla Coil

Schematic Tesla Coil circuitpiccegnahtv.z21.web.core.windows.net

Solid State Tesla Coil Schematic How To Build A Solid State

Solid State Tesla Coil Schematic How To Build A Solid State manualsailorkitmw2.z21.web.core.windows.net

Schematic Tesla Coil

Schematic Tesla Coil circuitpiccegnahtv.z21.web.core.windows.net

Tesla Coil Schematic Diagram | Electrical Engineering Blog

Tesla Coil Schematic Diagram | Electrical Engineering Blog elecengworld1.blogspot.com

Schematic Tesla Coil

Schematic Tesla Coil manualhernansblog1of.z21.web.core.windows.net

How To Make Tesla Coil, Build Solid State Tesla Coil / Slayer Exciter

How to make Tesla Coil, Build Solid state Tesla coil / slayer exciter paksc.org

tesla coil circuit diagram make simple slayer exciter solid state build diy called also paksc 9v wireless nikola urdu battery

Tesla Coil Wiring Diagram

Tesla Coil Wiring Diagram hestiahelper.blogspot.com

tesla coil wiring arduino

Simple Tesla Coil Circuit Diagram - Auto Wiring Diagram

Simple Tesla Coil Circuit Diagram - Auto Wiring Diagram autowiringsdiagram.blogspot.com

Simple Tesla Coil Circuit Diagram - Auto Wiring Diagram

Simple Tesla Coil Circuit Diagram - Auto Wiring Diagram autowiringsdiagram.blogspot.com

Solid State Tesla Coil Circuit Diagram Circuit Tesla Coil So

Solid State Tesla Coil Circuit Diagram Circuit Tesla Coil So rafinairetoiguide.z14.web.core.windows.net

Designing A Tesla Coil - EDN Asia

Designing a Tesla Coil - EDN Asia www.ednasia.com

coil tesla

Solid state tesla coil schematic how to build a solid state. Tesla coil schematic diagram. Tesla coil with a six-pack capacitor| make: