recloser power pole

Pole recloser mounted auto equipmentimes profile company

If you are looking for Power Distribution Pole Mounted Vacuum Automatic Circuit Recloser 11kv you've came to the right page. We have 20 Images about Power Distribution Pole Mounted Vacuum Automatic Circuit Recloser 11kv like Wooden power pole with electric lines and GVR recloser switchgear Stock, How to Save on Maintenance of Pole Mounted Reclosers | NOJA Power and also Far Outdoor Pole-Mounted Motorized Operated Recloser - China Pole. Here you go:

Power Distribution Pole Mounted Vacuum Automatic Circuit Recloser 11kv

Power Distribution Pole Mounted Vacuum Automatic Circuit Recloser 11kv yzxgn2001.en.made-in-china.com

recloser mounted 11kv distribution 15kv

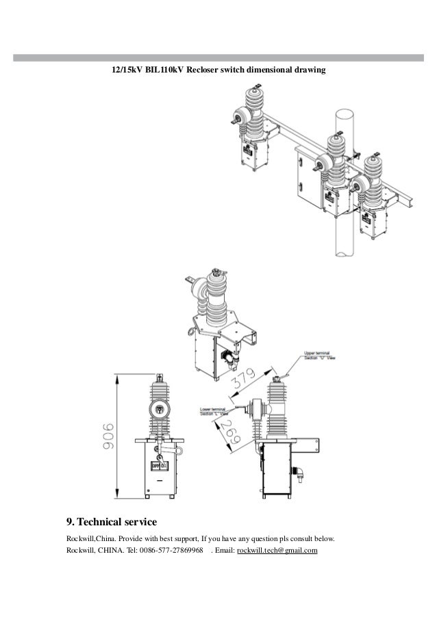
Mounted_pole_recloser

mounted_pole_recloser 911electronic.com

How To Save On Maintenance Of Pole Mounted Reclosers | NOJA Power

How to Save on Maintenance of Pole Mounted Reclosers | NOJA Power www.nojapower.com.au

China ACR Pole Mounted Recloser Manufacturers - Factory Direct Price

China ACR Pole Mounted Recloser Manufacturers - Factory Direct Price www.volcano-electrical.com

How To Protect Two Pole Single Phase Overhead Lines With Reclosers

How to protect Two Pole Single Phase Overhead Lines with Reclosers www.nojapower.com.au

China ACR Pole Mounted Recloser Manufacturers - Factory Direct Price

China ACR Pole Mounted Recloser Manufacturers - Factory Direct Price www.volcano-electrical.com

Pole-Mounted Auto Recloser - Equipmentimes.com

Pole-Mounted Auto Recloser - Equipmentimes.com www.equipmentimes.com

pole recloser mounted auto equipmentimes profile company

Single Phase Pole Mounted Circuit Recloser Catalog

Single phase pole mounted circuit recloser catalog www.slideshare.net

recloser pole mounted

Pole Mounted Recloser. | Download Scientific Diagram

Pole mounted recloser. | Download Scientific Diagram www.researchgate.net

Wooden Power Pole With Electric Lines And GVR Recloser Switchgear Stock

Wooden power pole with electric lines and GVR recloser switchgear Stock www.alamy.com

LIBERTY™ HB Series Pole-Mounted Three Phase Ganged Recloser | Hubbell

LIBERTY™ HB Series Pole-Mounted Three Phase Ganged Recloser | Hubbell www.hubbell.com

recloser pole mounted phase three utility power hubbell ganged hb liberty series

Far Outdoor Pole-Mounted Motorized Operated Recloser - China Pole

Far Outdoor Pole-Mounted Motorized Operated Recloser - China Pole faradypowertech.en.made-in-china.com

How To Protect Two Pole Single Phase Overhead Lines With Reclosers

How to protect Two Pole Single Phase Overhead Lines with Reclosers www.nojapower.com.au

G&W Offers High-voltage Pole-top Recloser To Advance Distribution

G&W offers high-voltage pole-top recloser to advance distribution www.power-grid.com

How To Protect Two Pole Single Phase Overhead Lines With Reclosers

How to protect Two Pole Single Phase Overhead Lines with Reclosers www.nojapower.com.br

Pole Mounted Automatic Circuit Recloser – Stelmec

Pole Mounted Automatic Circuit Recloser – Stelmec stelmec.com

Tender Request 11kv 33kv Pole Mount Automatic Circuit Reclosers - Buy

Tender Request 11kv 33kv Pole Mount Automatic Circuit Reclosers - Buy www.alibaba.com

Outages – Utility Wildfire Working Group

Outages – Utility Wildfire Working Group endpowerlinefires.com

How To Save On Maintenance Of Pole Mounted Reclosers | NOJA Power

How to Save on Maintenance of Pole Mounted Reclosers | NOJA Power www.nojapower.com

33kv 36kv Pole Top Overhead Power Line Auto Recloser Controller

33kv 36kv Pole Top Overhead Power Line Auto Recloser Controller www.alibaba.com

overhead recloser pole 36kv 33kv

Recloser mounted 11kv distribution 15kv. 33kv 36kv pole top overhead power line auto recloser controller. G&w offers high-voltage pole-top recloser to advance distribution